Резцедержатель аксиальный C4-16x12 по DIN 69880 (ISO 10889), левое исполнение, перевернутый, короткий

Артикул: 169.44.12

Цена: 67 € (информационно)
Резцедержатель аксиальный C4-16x12 по DIN 69880 (ISO 10889), левое исполнение, перевернутый, короткий

VDI 16
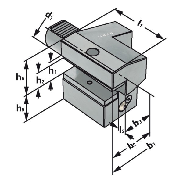
C4 - 16 x 12
d1 = 16
h1 = 12
h2 = -
b1 = 43
b2 = 24
b3 = 13
l1 = 44
l2 = 5
h5 = 22
h6 = 20

Применение:
Для наружной обработки

Исполнение:
С соплом и подкладкой